|
Push Button Lead Screw Tappers - Model 1-AL
 |
• Gauge perfect parts
every time - reduce inspection - cut fixed costs
• Completely automatic - Electrically controlled, air operated with push
button or
foot controlled operation
• Built-In Stop provides repeatability within 1/3 turn
• Fiction clutch gives smooth, "cushioned" action and tap protection
• Precision thread ground lead screw assemblies are changed in "seconds"
• Up to 3600 cycles per hour
• Maximum recommended speed is 2000 RPM
• Built-in adjustable 3/4" stroke
|
Standard Equipment
Supplied with power line, air line, foot switch, set of (2) wrenches, quill
clamping cover, shank and drive adapter as required. For
Left-Hand operation, the unit must be modified. Not for use in inverted
position.
Lead screw assembly
or collets not included. Click here to view left hand conversions.
ORDER NUMBER |
CAPACITY (cut thread) |
|
A LUMINUM |
MILD STEEL |
|
INCH |
MM |
INCH |
MM |
|
21035-21099 |
1/4" |
M6 |
#10 |
M4 |
|
Specify make and model of drill press.
Adaptation sheet in .pdf |
________________________________________________
Heavy Duty Lead Screw Tappers - Model 3-AL
 |
• Gauge perfect parts
every time - reduce inspection - cut fixed costs
• Completely automatic - various cycles
operated by push button or
foot switch
• Air controlled friction clutch
provides tap protection and depth repeatability with 1/3 turn
• May be used to drive multiple
attachments
• Up to 1800 cycles per hour
• Maximum recommended speed is 1200 RPM
• Built-in adjustable 2 1/4" stroke |
Standard Equipment Supplied with power line, air line, foot switch, wrenches, quill clamping cover, shank and drive adapter as
required.
For Left-Hand operation, the unit must be modified.
Not for use in inverted position. Lead screw assembly
or collets not included. Click here to view left hand conversions.
ORDER NUMBER |
CAPACITY (cut thread) |
|
ALUMINUM |
MILD STEEL |
|
INCH |
MM |
PIPE |
INCH |
MM |
|
23035-23099 |
#10-3/4" |
M5-M18 |
1/16"-3/8"** |
#10-1/2" |
M5-M12 |
**Uses lead screw assembly with #4 TG chuck. Specify make and model of drill press.
Adaptation sheet in .pdf |
|
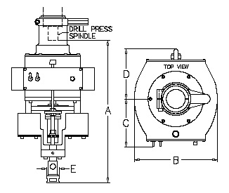
Dimensions |
|
Series |
A |
B |
C |
D |
E |
Wt. |
|
21000 / 1AL |
9-1/2 |
6-1/4 |
3-3/4 |
3-7/16 |
3/4 |
16 lbs |
|
23000 / 3AL |
14-1/2 |
8-3/4 |
7-7/8 |
5-5/16 |
1-3/8 |
35 lbs |
|

Contact us for more information
|